产品介绍:

一、概述
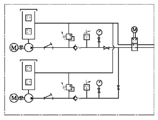
SZB-L(U)型双排式电动润滑泵装置是由两台电动润滑脂泵、换向阀、集成块及管路附件等组成。在同一底座上安 装有两台电动润滑脂泵,一台工作,一台备用,双泵可以自动切换,通过换向阀接通运转着的泵的回路,不影响系统 的正常工作。两台泵也可以同时工作。它具有压力高、流量大、远距离输脂、安全可靠等特点。贮油桶具有油位自动 报警系统。
该泵主要适用于配置频率高、润滑点多、配管长度长、分布范围广、公称压力为40MPa的双线干油集中润滑系统, 配管方式为终端式。配以相应的电控系统,则能实现全自动控制,并对系统实现监视。
二、技术参数
|
型号
|
给油量
ml/min |
公称压力
MPa |
泵转速
r/min |
减速比
|
电机功率
kw |
贮油器容积
L |
配管方式
|
重量
kg |
|
SZB-L(U)
|
585(单泵)
|
40
|
75
|
1:20
|
2.2
|
200
|
终端式
|
1150
|
使用介质为锥入度不低于220〜285(20℃,150g)1/10mm的润滑脂。
三、外形尺寸(51图一)
四、图形符号
五、使用说明
本产品应安装在室内,灰尘少、振动小的干燥场所,用地脚螺栓固定在基础上,其周围应留有操作空间。安装位置应便于补给润滑脂、调试、检查、拆卸和维修等都方便的场合。
使用前须向柱塞泵的减速机腔注入润滑油(推荐工业齿轮油N220),达到油位计红线的位置。一般新润滑泵工作200小时后应更换润滑油,以后每隔2000小时定期更换新油,并要经常检查油质情况,若发现油质劣化,则应缩短更换周
向贮油器内充填润滑脂,必须使用加油泵从润滑脂补给口加入。使用的润滑脂应清洁,不允许有杂物、污物、灰尘、气泡等存在。电动润滑泵的回转方向是单向的,必须使柱塞泵主轴(蜗轮轴)的回转方向与箭头指示方向一致。在 电动机接线时,应注意这一点。
溢流阀的标准调定压力为20MPa。
接线盒电控原理详见电器说明书。