产品介绍:

一、概述
DDB系列多点干油泵适用于公称压力为10MPa,润滑点不超过50点的多线式干油集中润滑系统中。
DDB系列多点干油泵是直接或通过单线片式给油器向各润滑点供送润滑脂的装置,特别适用于破碎机、锻压机床、码头行吊,印刷机等小型的单机设备。
二、技术参数
使用介质为锥入度不低于265 (25℃, 150g) 1/10mm的润滑脂(NLG10#〜2#),工作环境温度0〜40℃。
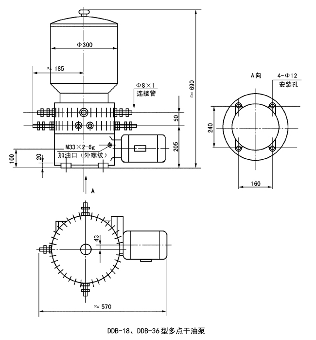
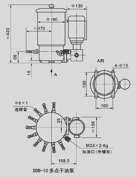
三、外形尺寸
四、型号说明
五、使用说明
1、本系列多点干油泵应安装在环境温度合适,灰尘少,便于补脂、调整、检查、维护保养等都方便的场合。
2、DDB-10型多点干油泵使用前先向一级减速箱内加入HL-20齿轮油至油标规定液面。
3、向干油泵贮油器内补脂必须使用SJB-D60型手动加油泵或DJB-200型电动加油泵从贮油器的加油口加入,注意在贮油器内无润滑脂时严禁启动电机运转。
4、按贮油桶壁上旋向牌规定的旋向进行电机接线,不得反转。
5、加油口的过滤网精度不低于0.2mm,应定期清洗。
6、干油泵应经常保持清洁,严禁揭盖补脂以免脏物进入泵体内,影响正常工作。