产品介绍:

产品简介
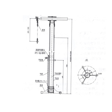
适用于干油润滑系统中,作为附属装置配套使用,主要用于起吊电动/气动加油泵,方便 换200L油桶之用:
使用说明
1、安装时升降架底座3-t。14安装孔应用安装螺栓与安装面紧固,不得有松动现象存在,以免发生安全意外。
2、操作使用时.进气/排气节流阀应慢慢开启,控制进气量使气缸活塞杆上升或下降速度均衡基本稳速,以免上升或下降速度过快,对操作人员或设备造成危害。
3.应注意日常的维护保养,使用过程中绝对不允许碰伤气缸筒外表面,以免缸管变形失圆而影响活塞密封和正常工作。
4、所提供使用的气源应干燥且经气源三联件处理后含有油雾的能起到润滑作用的压缩空气,从而可以延伸使用寿命。
5、在环境恶劣(如有粉尘、水等)的场合使用,应避免粉尘或水进入活塞杆,以免破坏活塞杆密封而降低使用寿命。
技术参数
| 型号 |
供气压力 Mpa |
大起升重量 kg |
大起升高度 mm |
重量 kg |
| 1791 | 0.4-0.6 | 200 | 1000 | 85 |
外形尺寸