产品介绍:

产品简介
DGZ系列电动干油站适用于冶金、化工、电站、造纸、制糖、水泥、纤维工业等成套设备的干油集中润滑系统中,通过双线给油器向数十个到数百个轴承或其它磨擦表面,定时定量地供送润滑脂。也可用于矿山、起重运输、车辆船舶、锻压等机械设备的润滑。
该系列干油站能为设备提供合理的润滑,有延伸设备寿命,改善工作环境,安全靠谱,简化维护工作,节省人力及油脂等优点。
型号说明
使用说明
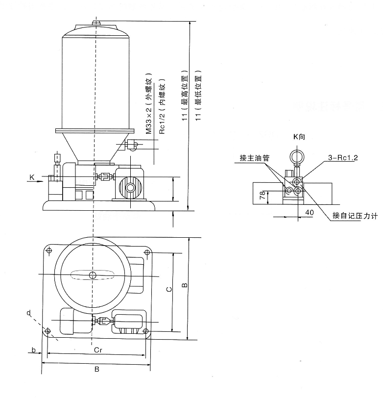
1、DGZ电动干油站应安装在室内,灰尘少,便于补脂、调试、检查、维修和拆洗等都方便的场合。如在室外或环境恶劣的场合使用时,需要采用防护措施。
2、尽可能布置在系统的中心位置,缩短系统配管长度,保持 低压力降,使泵能产生足以克服润滑点背压的压力。
3、使用前,需要先向减速机内加入50#机械油至油标规定液面。
4、向贮油器内补脂需要用DJB-F200或DJB-V400型电动加油泵,从贮油器的加油口加入,注意当贮油器无润滑脂时,严禁启动电动干油站。
技术参数
|
型 号 |
公称压力MPa |
公称流量ml/min |
贮油器容积L |
电动机功率kw |
适用电源 |
重量kg |
|
DGZ-50 |
0.7 |
50 |
8.5 |
0.75 |
MQL5122 220-380V |
140 |
|
DGZ-100 |
10 |
100 |
35 |
1.1 |
253 |
|
|
DGZ-500 |
10 |
500 |
150 |
1.1 |
455 |
外形尺寸
