产品介绍:

产品简介
适用于干油集中润滑系统中,即可作为向众多润滑泵站贮油器内补脂的供油设备,又可作为润滑泵直接向干油润滑系统供油的设备,该系列气动干油泵输出压力高,流量范围大,选择应用方便。
型号说明
使用说明
1、以托架(用户自备)作支承,用四只螺栓把气动泵固定在托架上,柱塞泵管垂直插入贮油箱的油脂中。
2、进气管路上需要配接气源处理三大件(过滤、减压、油雾器),目的是使气动泵能获得洁净、稳压、带油雾状的压缩空气。
3、所使用的介质需要在规定范围内。
4、气动泵出油口处需要配接单向阀。
5、建议供气量调定在泵工作频率不超过60次/min为宜。
6、使用2#油脂时建议油箱内加设压油盘,以免因润滑脂流动性差而使泵产生吸空。
7、排气口配接消声器(用户自备,接口Rcl/2)。
技术参数
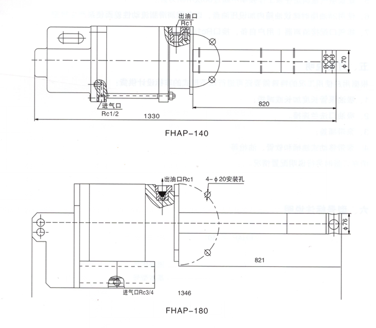
外形结构及尺寸
订货说明
根据用户使用工况的特殊需要还可进行以下形式的非标设计供货:
1、吸油泵管长度加长或减短:
2、吸油口法兰连接。
3、泵带桶盖:
4、泵带移动式油桶和软管、油枪等。
请在订货时另行说明配置情况。