产品介绍:

产品简介
该电动加油泵适用于干油集中润滑系统中,向电动润滑泵的贮油器内充填润滑剂,该泵为内藏式柱塞容积泵,采用减速电机直接传动,带动偏心轮往复运动,实现吸压油功能。该泵运转平稳,输出压力高,设有低油位报警装置,能及时地向油筒内充填润滑脂。
型号说明

使用说明
l、使用前先拧开壳体上方的油塞加入50号机械油至规定油标液位。
2、使用的介质需要干净,质地均匀,在规定的牌号范围内。
3、不许在桶内无油的情况下空运转。
4、电机减速机初用三个月需要从排气塞孔补充适量的3#二硫化钼润滑脂,以后每隔四个月补充一次。
技术参数
使用介质为锥入度不低于265(25℃,150g)1/10mm的润滑脂(NLGI0#~2#)或粘度等级大于N46的工业润滑油。
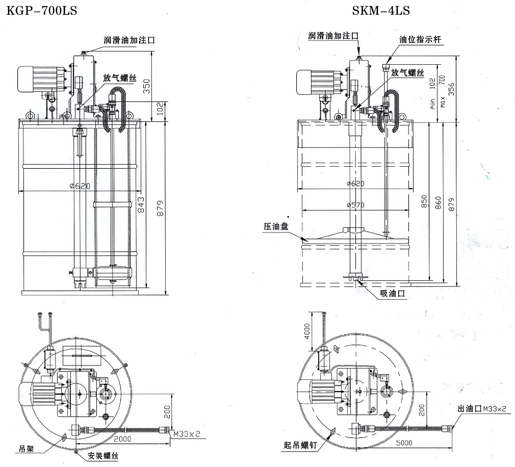
外形尺寸
原理图,外部接线图