产品介绍:

产品简介
双线分配器设有左右侧二处进油口,出油根据结构不同可分为单向出油和双向出油二种,标准形式均带有油量调节装置,在高温等特殊工作条件下可不配带油量调节装置。
双线分配器适用于双线式干油集中润滑系统中,作为一种计量给油装置,通过二条供油管交互压送润滑剂的压力动作,实现各个双线分配器的定量给油。
工作原理
单向出油结构:
双线分配器有两个进油口,分别与两个供油管5a. 5b连接,当其中一条由润滑泵供油时,另一条则向贮油器开放。
如上图所示,由泵压送来的润滑剂,经供油管5a输送至分配器4,进入先导活塞4a上部加压,将先导活塞4a压下,此时下部与供油管5b连通卸荷。随着先导活塞4a的下移,使主活塞4b上腔与先导活塞上腔连通,主活塞下腔与出油口连通,供送的润滑剂进入主活塞上腔,推动主活塞下移,将其下腔的润滑剂经给油管6压送到润滑点,完成第一周期的给油动作。切换至供油管5b供油开始第二个周期的给油动作,分配器活塞按相同的顺序反向进行前述动作。
分配器每口给油量由主活塞4b的直径和行程确定,通过调节调整螺钉7,改变主活塞4b的行程,可实现规定油量范围内的油量大小调节。
双向出油结构
双线分配器与每两个润滑点相连通的活塞孔中分别有一个控制活塞和一个工作活塞,两个进油口分别与两个供油管3a. 3b连接,当供油管一条加压时,另一条则卸荷。
如上图所示,由泵输送来的润滑剂,经供油管3a进入分配器控制活塞的上端,控制活塞首先向下移动(这时控制活塞下端挤压的润滑剂则进入卸荷的供油管3b),使工作的活塞的上腔与控制活塞的上腔连通,然后工作活塞向下移动,这时受工作活塞挤压的润滑剂经过控制活塞的环形槽被压送到出油口6至润滑点,完成第一周期的给油动作。切换至供油管3b供油开始第二周期的给油动作,分配器活塞按相同的)ii~序反向进行前述动作,出油口排送润滑剂。
型号说明

使用说明
l、需要在规定的环境下使用规定的介质。
2、在灰尘大、潮湿、环境恶劣的场合下使用应配防护罩。
3、给油量的调整(指KR和KS)应在指示杆缩回去的状态下进行,调整完毕后将锁紧螺丝拧紧。
4、在分配器上下对应出油口间设有合二为一的并油通路,易改奇数出油,使用时只需将7-1先拧松然后用螺丝刀拧7-2柱销(参见上图),7-2柱销一字槽水平方向为上下分开出油;7-2柱销一字槽垂直方向为并油状态,上下出油合并,将不用的出口用Gl/4螺塞封堵。
5、与分配器安装的面应光滑平整,安装螺栓不宜拧得过紧,以免影响正常动作。
常见故障
l、分配器不动作
请检查供油管有否压力油输送,润滑点是否被堵塞,给油管是否被压扁;其次拆下分配器,拧开活塞端螺塞取出活塞清洗内部工艺流道孔内杂质。
2、限位器体指示杆处漏油
可能是超过使用的环境温度致使油封失效,或库存时间过长油封老化。拆下限位器体 换新的油封。
技术参数
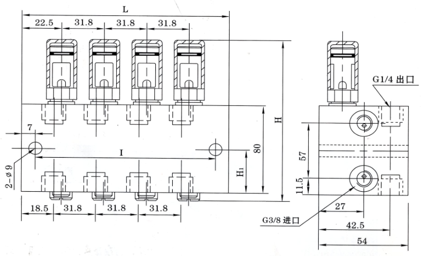
外形尺寸

安装附件

订货须知
标准供货形式的双线分配器适用环境温度为-10℃—80℃;用户如需在-15℃以下或100℃以上工作条件下使用,需要在订货合同中注明工作温度,以便选择不同的油封组装供货。