产品介绍:

产品简介
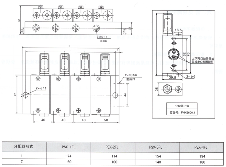
PSX-★FL型分配器是由一个集油块和(1-4)块分配器上体组成。有故障时,只需 换分配器上体,不需换整块分配器,维修方便。分配器的出口设在集油块的两侧,同一块分配器上体的两个上体的两个出油口还可进行合并,增加给油量。
型号说明
使用说明
1、需要在规定的环境下使用规定的介质。
2、在灰尘大、潮湿环境恶劣的场合下使用应配防护罩。
3、给油量的调整,调动限位器上的调整螺丝,可根据润滑点的实际需要在 大和 小给油量的范围内调整给油量。调整应在指示杆缩回去的状态下进行,调整完毕后将锁紧螺丝拧紧。
4、分配器并油时,请把分配器上体中间的两个小O形圈取掉,并把不用的出油口用M10X1螺塞封堵即可。
常见故障
l、分配器不动作
请检查供油管有否压力油输送,润滑点是否被堵塞,给油管是否被压扁;其次拆下分配器,拧开活塞端螺塞取出活塞清洗内部工艺流道孔内杂质。
2、限位器体指示杆处漏油
可能是超过使用的环境温度致使油封失效,或库存时间过长油封老化。拆下限位器体 换新的油封。
技术参数
外形结构及尺寸
订货须知
标准供货形式的双线分配器适用环境温度为-10℃—80℃;用户如需在-15℃以下或100℃以上工作条件下使用,需要在订货合同中注明工作温度,以便选择不同的油封组装供货。