产品介绍:

一、使用条件
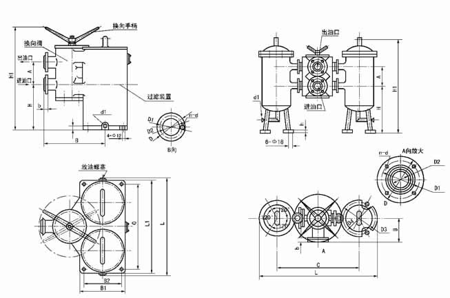
本产品适用于公称压力为0.6MPa的稀油润滑系统中,具有清除润滑油中杂质使供给润滑点的油达到洁净的功能,小型的为整体式,较大的为组合式,分别由二组过滤筒和一个三位六通换向阀组成,工作时一筒工作,一筒备用,可实现不停车切换过滤筒,达到循环润滑系统不间断工作的目的。
二、技术参数
| 型 号 |
公称 通径 DN mm |
公称 压力 MPa |
过滤 面积 m2 |
运 动 粘 度 cSt |
重量 kg |
|||||||||
| 28 | 46 | 67 | 89 | 326 | ||||||||||
| 过 滤 精 度 mm | ||||||||||||||
| 0.08 | 0.12 | 0.08 | 0.12 | 0.08 | 0.12 | 0.08 | 0.12 | 0.08 | 0.12 | |||||
| 过 滤 精 度 mm | ||||||||||||||
| SLQ-32 | 32 | 0.6 | 0.082 | 130 | 310 | 120 | 212 | 63 | 161 | 28.5 | 68.7 | 18.7 | 48.8 | 81.7 |
| SLQ-40 | 40 | 0.21 | 330 | 790 | 305 | 540 | 160 | 384 | 72.3 | 175 | 48 | 125 | 115 | |
| SLQ-50 | 50 | 0.31 | 485 | 1160 | 447 | 793 | 250 | 565 | 106.5 | 256 | 69 | 160 | 203.8 | |
| SLQ-65 | 65 | 0.52 | 820 | 1960 | 760 | 1340 | 400 | 955 | 180 | 434 | 106 | 250 | 288 | |
| SLQ-80 | 80 | 0.833 | 1320 | 3100 | 1200 | 2150 | 630 | 1533 | 288 | 695 | 170 | 400 | 346 | |
| SLQ-100 | 100 | 1.31 | 1990 | 4750 | 1840 | 3230 | 1000 | 2310 | 436 | 1050 | 267 | 630 | 468 | |
| SLQ-125 | 125 | 2.20 | 3340 | 8000 | 3100 | 5420 | 1680 | 3890 | 730 | 1770 | 450 | 1000 | 1038.5 | |
| SLQ-150 | 150 | 3.30 | 5000 | 12000 | 4650 | 8130 | 2520 | 5840 | 1094 | 2660 | 679 | 1600 | 1185 | |
| 条 件 粘 度 OE | 4 | 6.3 | 9 | 12 | 44 | |||||||||
三、外形结构
SLQ-32,SLQ-40双筒网式过滤器(整体式) DN≥50的SLQ型双筒网式过滤器(组合式)四、外形尺寸
| 型号 | 公称通径DN | A | B | B1 | B2 | C | d1 | D3 | D4 | H |
| SLQ-32 | 32 | 140 | 250 | 186 | 154 | 344 | G3/8" | - | - | 145 |
| SLQ-40 | 40 | 165 | 265 | 222 | 184 | 410 | - | - | 180 | |
| SLQ-50 | 50 | 190 | 165 | - | - | 693 | G1/2" | 330 | 280 | 355 |
| SLQ-65 | 65 | 200 | 170 | - | - | 713 | 374 | 300 | 395 | |
| SLQ-80 | 80 | 220 | 202 | - | - | 830 | G3/4" | 374 | 320 | 500 |
| SLQ-100 | 100 | 250 | 202 | - | - | 895 | 442 | 400 | 610 | |
| SLQ-125 | 125 | 260 | 240 | - | - | 1200 | G1" | 755 | 600 | 640 |
| SLQ-150 | 150 | 300 | 240 | - | - | 1200 | 755 | 600 | 860 |
| 型号 | H1 | L | L1 | h | 时出油口连接法兰尺寸 | |||||
| D1 | D2 | b | d | n | ||||||
| SLQ-32 | 440 | 397 | 386 | 20 | 135 | 100 | 78 | 18 | 18 | 4 |
| SLQ-40 | 515 | 480 | 447 | 145 | 110 | 85 | ||||
| SLQ-50 | 800 | 1023 | - | 160 | 125 | 100 | 20 | |||
| SLQ-65 | 860 | 1097 | - | 180 | 145 | 120 | ||||
| SLQ-80 | 990 | 1202 | - | 195 | 160 | 135 | 22 | 8 | ||
| SLQ-100 | 1190 | 1337 | - | 215 | 180 | 155 | ||||
| SLQ-125 | 1270 | 1955 | - | 30 | 245 | 210 | 185 | 24 | ||
| SLQ-150 | 1530 | 1955 | - | 280 | 240 | 210 | 23 | |||
五、型号标注说明
六、工作原理
1、本型式过滤器由一六通换向阀及二组过滤装置组成,置于油泵出口及冷却器前端,正常工作时,一组过滤装置启用,另一组被换向阀封闭备用。
2、阀片式六通换向阀为手动,工作过程中,截止备用过滤装置连通工作中的过滤装置,阀上部有通、止标记,在工作压力≤6kgf/cm2可不停机换向。
3、过滤装置为二组,一组工作,一组备用。在工作中过滤装置需要维修清洗时,可启动另一组备用过滤装置投入工作,而不影响主机正常工作。
4、系统图
七、使用说明
1、当过滤器的进出口压力差≥0.5kgf/cm2时,说明过滤装置中的滤芯已被机械杂质阻塞,应及时清洗或更换滤芯,同时也应清洗筒体。
2、在正常工作时过滤器的进出口压差应≤0.035MPa。
八、订货须知
订货时必须注明所需的过滤精度值,不注明的均按0.12mm供货。