产品介绍:

产品简介
回转窑托轮应平行于窑体中心线安装,窑体为倾斜放置,在自重作用下有下滑的趋势,采用液压推力挡轮液压站,使窑体按预想的速度(一般约2~ 3mm/h)强制上窜或有控制地下滑,从而有效地保障轮带与托轮的均匀接触和磨损,以节省托轮调整的工作量。
液压挡轮正常上下游动的行程为±10mm.当上下游动的行程达到15mm时,应发出报警讯号,当上下游动达到极限行程(±30mm)时,应当即停止对主电机供电,允许通过调整限位开关的位置对上述控制行程作±2mm的少量变动。
技术参数
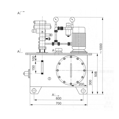
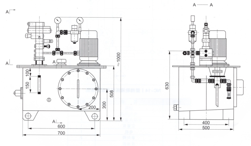
外形结构及尺寸
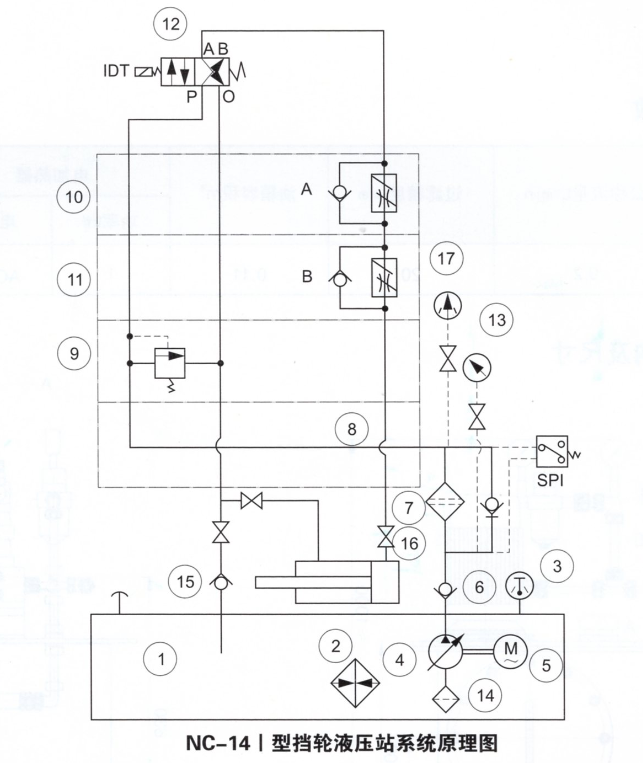
工作原理
挡轮液压站是控制回转窑液压挡轮动作的动力装置,其工作原理如下图所示。
系统装有一套柱塞变量泵装置;正常工作时,系统 高压力为lOMPa, 低压力为4MPa,油缸上行速度由柱塞变量泵及调速阀来调定;油缸下行时速度由另一个调速阀来调定,油温是由装在油箱上的电接点双金属温度计来控制电加热器的开闭;系统设有一台精度为20Um的精过滤器,保障液压油的清洁;过滤器压差达到0.35MPa时报警,需及时 换过滤器滤芯。
制电加热器的开闭;系统设有一台精度为20 u m的精过滤器,保障液压油的清洁;过滤器压差达到0.35MPa时报警,需及时 换过滤器滤芯。
在启动回转窑的同时开通工作油泵并接通IDT电磁铁,液压油通过调速阀A迫使窑体向上移动:当挡轮座上行碰到上行限位开关时,油泵电机断电,IDT也断电,此时靠窑体自重使油缸中的油经调速B,单向阀(背压阀)排入油箱;油缸下滑碰到下限位开关时,电磁铁IDT又通电,泵又启动,重复上述推窑上行动作。
如系统工作不正常,当油缸上行或下行时,由于第一组限位开关发生故障而碰到另一组上行或下行开关时,应发出报警信号,当仍继续上行或下行又碰到极限位置开关时,应当即停主机。