产品介绍:

一、概述
回转窑托轮应平行于窑体中心线安装,窑体为倾斜放置,在自重作用下有下滑的趋势,采用液压推力挡轮液压站,使窑体按预想的速度(一般约 2~3mm/h)强制上窜和有控制的下滑,从而有效地保证轮带与托轮的均匀接触和磨损,以节省托轮调整的工作量。
二、技术参数
1、工作压力:4~10MPa
2、公称流量:1.14L/min
3、过滤器精度:20 μ m
4、油箱容积:0.11m3
5、电加热器功率:AC220V,1kw
6、电机功率:0.75kw
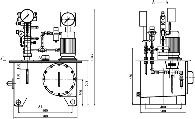
三、外形尺寸
四、工作原理
SZ-C 稀油润滑装置是控制回转窑液压挡轮动作的动力装置,其工作原理如下图所示:
当窑体下移偏离零位(即装有行程开关挡轮中线与轮带中线重合位置)25mm 时,行程开关箱中一触点动作,油泵4起动,换向阀 16 的电磁感应圈 A 接通,压力油通过换向阀左位经调速阀 15 进入液压缸,这时液压缸活塞在压力油作 用下,推动挡轮迫使窑体向上移动。
当窑体上移到上限值时,行程开关箱中一触点动作,油泵 4 停止,换向阀 16 的电磁感应圈 B 接通,液压缸中的油经调速阀 13 和换向阀 16 右位回油箱,窑体靠自重下移,下移到下限值时,行程开关箱中一触点动作,换向阀 16 的电 磁感应圈 B 断开,油泵 4 起动,换向阀 16 电磁感应圈 A 接通,液压缸活塞在压力油作用下,推动挡轮迫使窑体向上移动。
若窑体在异常情况下向上或向下到极限位置时,行程开关箱中触点动作,发出报警:并且电磁换向阀换向。
SZ-C 稀油润滑装置原理图
|
序 号 |
名 称 规 格 |
数 量 |
备 注 |
|
1 |
油箱 |
1 |
|
|
2 |
电加热器 SRY2-220/1 |
1 |
电压 220V 功率 1 K W |
|
3 |
电接点温度计 WTZ-288 |
1 |
|
|
4 |
变量泵 |
1 |
|
|
5 |
电机 Y90S-6B5 (V1) |
1 |
转速 910r/min 功率 0.75KW |
|
6 |
单向阀 DIF-L10H1 |
2 |
开启压力 0.035MPa |
|
7 |
滤油器 ZU-H10 × 20S |
1 |
|
|
8 |
单联底板块 |
1 |
|
|
9 |
测压垫块 |
1 |
|
|
10 |
压力表开关 3K-F6D |
1 |
|
|
11 |
溢流阀 Y-Fc6D-P/O |
1 |
调定压力:1 0 M P a |
|
12 |
测点块 C-F6D-A |
1 |
|
|
13 |
调速阀 |
1 |
|
|
14 |
溢流阀 |
1 |
调定压力:1 4 M P a |
|
15 |
调速阀 |
1 |
|
|
16 |
电磁换向阀 |
1 |
|
|
17 |
压力表 YN-60 |
1 |
范围:0 ~25MPa |
|
18 |
吸油过滤器 WU-16 × 80-J |
1 |
|
|
19 |
单向阀 D1F-L10H3 |
1 |
开启压力 0.35MPa |
|
20 |
卡套式截止阀 J93W-160P |
1 |
配和外径14mm 压力:16MPa |
|
21 |
电接点压力表 YX-150 |
1 |
测压范围:0 ~25MPa |
|
22 |
截止阀 |
2 |
|