产品介绍:

一、使用条件
与 GXYZ 型 A 系列基本一致,但工作介质粘度范围为 N22~N460(相当 ISO VG22~460);另外 B 系列的除高压和低压的供油压力不变分别为 31.5MPa 和 0.4MPa 外,其高压和低压的流量均有较大增加,详见下面技术性能表(规格最大的高压流量为 40L/min,低压流量为 315L/min)。本产品的性能参数及尺寸应符合表和图中的规定。
二、型号标注方法
三、工作原理与结构特征
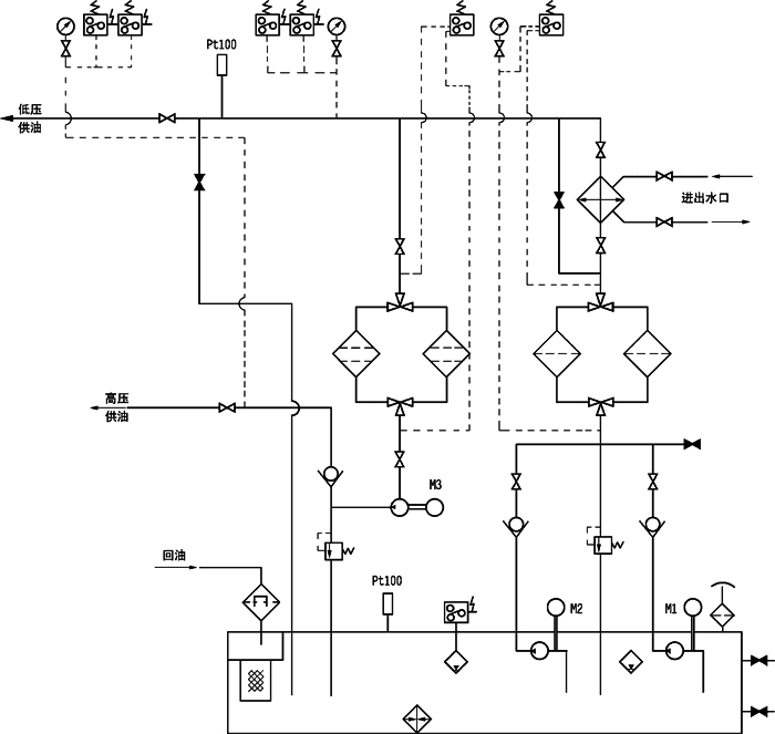
本油站为整体式,由油箱、两台低压油泵、一台高压油泵、二台双筒网片式过滤器、回油磁网过滤装置、列管式油冷却器、各种控制阀门、管道以及电接点压力表、铂热电阻等组成。
工作原理基本上也和 A 系列相同;但 B 系列的低压油经过过滤和冷却后外供时,一部分低压油通过旁路再经过一个双筒过滤器后才进入高压泵的吸油口,以提高高压油的清洁度等级;但应注意当低压供油实际压力较小时(例如小于0.2MPa 时),由于后一过滤器同样也有压差损失(也随时间逐步增大),为保证高压油泵顺利吸入,吸入口应始终保证正压(当后过滤器切换前压差达最大时也必须满足这一要求);除流量和 A 系列有很大不同外,最主要特点(结构特征)为高压泵吸口前有另一台过滤器。
其他工作原理和操作控制可参见 A 系列所述。
GXYZ型B系列高(低)压稀油站技术性能
|
型 号 |
GXYZ-B20/100 |
GXYZ-B20/125 |
GXYZ-B20/160 |
GXYZ-B30/200 |
GXYZ-B30/250 |
GXYZ-B40/315 |
||
| 参 数 | ||||||||
|
低压系统 |
流量 |
100 |
125 |
160 |
200 |
250 |
315 |
|
|
供油压力 |
≤0.4 |
|||||||
|
供油温度 |
40±3 |
|||||||
|
电动机 |
型 号 |
Y100L2-4 |
Y112M-4 |
Y132S-4 |
Y132M-4 |
|||
|
功率 |
3 |
4 |
5.5 |
7.5 |
||||
|
转速 |
1450 |
|||||||
|
油箱容积m3 |
1.6 |
2.0 |
2.2 |
2.8 |
3.3 |
4.2 |
||
|
高压系统 |
流量 |
20 |
30 |
40 |
||||
|
供油压力 |
31.5 |
|||||||
|
电动机 |
型 号 |
Y160L-6 |
Y160L-4 |
Y180M-4 |
||||
|
功率 |
11 |
15 |
18.5 |
|||||
|
转速 |
950 |
1450 |
||||||
|
粗过滤精度mm |
0.08~0.12(低压出口) |
|||||||
|
精过滤精度mm |
≤0.04(高压入口) |
|||||||
|
冷却面积m2 |
11 |
20 |
28 |
|||||
|
冷却水耗量m3/h |
9 |
11.25 |
16 |
20 |
25 |
30 |
||
|
电加热功率kW |
18 |
24 |
30 |
|||||
|
外形尺寸mm |
2300×1540×1800 |
2750×1700×1900 |
3350×1850×1950 |
|||||
|
备 注 |
实际油粘度高于320cSt时,低压泵功率应提高一级 |
|||||||
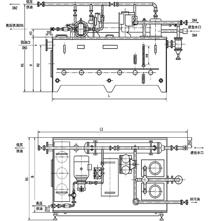
四、外形尺寸
GXYZ 型 B 系列外形尺寸
|
型 号 |
H |
H1 |
H2 |
H3 |
H4 |
L |
L1 |
B |
B1 |
DN1 |
DN2 |
DN3 |
DN4 |
|
GXYZ-B20/100 |
1110 |
1800 |
940 |
160 |
400 |
1700 |
2300 |
1280 |
1540 |
20 |
32 |
100 |
G1 1/2 |
|
GXYZ-B20/125 |
1160 |
1800 |
990 |
160 |
400 |
1800 |
2300 |
1380 |
1540 |
20 |
40 |
100 |
G2 |
|
GXYZ-B20/160 |
1160 |
1900 |
990 |
160 |
400 |
1900 |
2750 |
1480 |
1700 |
20 |
40 |
125 |
G2 |
|
GXYZ-B30/200 |
1200 |
1900 |
1030 |
180 |
400 |
2200 |
2750 |
1530 |
1700 |
20 |
50 |
150 |
G2 |
|
GXYZ-B30/250 |
1200 |
1950 |
1030 |
180 |
450 |
2650 |
3350 |
1580 |
1850 |
20 |
65 |
150 |
G2 |
|
GXYZ-B40/315 |
1260 |
1950 |
1090 |
180 |
450 |
2800 |
3350 |
1680 |
1850 |
20 |
65 |
175 |
G1 1/2 |
五、原理图
六、仪表盘
仿 A 系列(图 2-1-4),二个过滤器的差压发讯器尽量就地装于过滤器上。