产品介绍:

产品简介
YCK-P5型压差开关,是一种利用二根供油主管线间的压力差直接转化为电信号(开关量)输出的发讯装置。它主要使用在公称压力在40MPa级以下的双线终端式电动干油集中润滑系统中,安装在二条供油主管线的 末端。
型号说明
使用说明
1、压差开关应安装在通风、干燥、便于观察,且周围无运动机构干涉的部位。
2、压差开关安装在终端式双线集中润滑系统主管道末端,后面须再装一个双线分配器,以防压差开关中的润滑脂老化,变质、干枯而影响灵敏性。
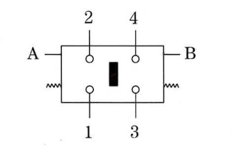
3、行程开关接线后并在主管道A、B均处卸压状态时,应将触桥调至中位并紧固螺钉。
动作说明
压差开关的阀体和行程开关组装在一块底板上。润滑脂在压力的作用下从主管道B进入压差开关阀体活塞的右腔,主管道A卸荷。一旦两条主管道的压差达到5MPa时,活塞克服左腔内弹簧力向左移动,并推动行程开关,使触点1和2闭合,发出脉冲讯号至系统电控箱,责令换向阀换向,这时主管道A受压,B卸荷,活塞在二端腔内弹簧的作用下对中,行程开关触点1和2断开,触桥处中位。系统开始第二周期工作,一旦主管道A和B间压差又达到5MPa时,活塞向右移动,行程开关触点3和4闭合,脉冲讯号再次使系统中的换向阀换向,开始下次循环工作
技术参数
|
型号
|
原型号 |
公称压力Mpa
|
发讯压差
|
发讯油量
|
开关
|
重量kg
|
|
YCK-P5
|
SG-A |
40(P)
|
5
|
0.7ml
|
LXP1-1002C
|
3
|
使用介质为锥入度不低于220(25℃,150g)1/10mm的润滑脂(NLGI0#~3#)的润滑脂和粘度等级大于N68的润滑油,工作环境温度为-20℃~80℃。
图形符号
外形尺寸
安装附件