产品介绍:

产品简介
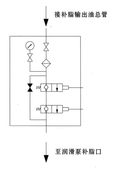
MFO1型补脂控制阀主要由补脂控制阀体,二位二通电磁阀及仪表等组成,本补脂阀采用了双阀串联技术,保障无泄漏无故障,本阀于集中补脂线上的干油润滑泵补脂。
使用说明
1、该补脂阀一般安装在润滑泵的底座上,,用2-M10的螺栓固定
2、采用自动补脂时,将旁通的手动高压球阀关闭;
3、当两个电磁阀都损坏时,手动打开旁通阀,即可进行人工补脂。
4、定期清洗过滤网,或 换滤网。
技术参数
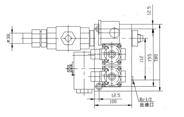
| 公称压力 | 过滤精度 | 电源 | 进口联接尺寸 | 出口联接螺纹 | 适用介质 |
| 20 | 80 | DC24 | 38x3钢管 | Rc1/2 |
为针入度265-410(25℃,150g)1/10mm的润滑脂(NLGI00#_2#) |
原理图
外形图