产品介绍:

产品简介
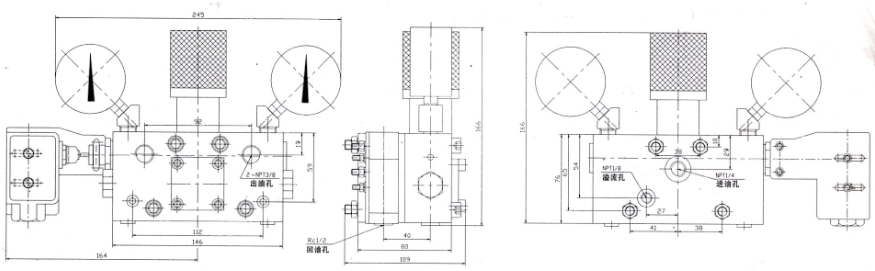
DR4-5型液压换向阀主要用于双线终端式集中润滑系统中,把泵输出的润滑剂交替送向两条供油主管。直接由换向阀出口压力控制换向,换向压力可以通过调压螺帽在3.5-23.5MPa范围内进行调整(顺时针旋转换向压力升高,逆时针旋转换向压力降低)。该阀结构简单、换向靠谱、使用方便。
使用说明
请在流量250ml/min以下的系统中使用,严禁使用于高压大流量系统。
工作原理
阀的油腔通道如图1所示,此时调压弹簧的作用力经拨块作用在活塞l上使活塞l处于阀体左侧。活塞l及活塞2两端分别与出油口1及出油口2相通。压力油从进油口进入活塞3的两个腔,其中左边腔中的压力油经出油口l流出,同时压力油经活塞l内腔道作用在活塞3左端,使活塞3处于阀体右侧,此时活塞3右侧与回油口相通。右边腔内压力油被活塞2封死。
当活塞l左端压力(出口压力)克服弹簧对活塞的作用力后,活塞l右移,同时活塞2右移(图2)。当活塞l、活塞2移到阀体右端后,活塞3左侧与回油口通;压力油经活塞2内腔道作用在活塞3的右侧,推动活塞向左移动到达阀体左侧(图3)。此时活塞3右腔内压力油经出油口2流出,而左端的压力油被活塞l封死。当活塞2右端压力(出口压力)克服弹簧对活塞的作用力后,活塞2左移,同时活塞l左移。当活塞l、活塞2移到阀体左端后,活塞3右侧与回油口通,压力油经活塞l内腔道作用在活塞3的左侧,推动活塞3向右移动达阀体右侧(图1),完成一个工作循环。
如要检测液压换向阀的换向状况,可以在阀上安装换向发讯开关,将换向阀的换向讯号传递给电气控制系统。在现场工作‘人员还可以通过观察指示杆的动作来了解换向阀的工怍情况。
技术参数
|
型号
|
压力范围
|
出厂调定压力Mpa
|
行程开关
|
重量
|
|
|
LX29-4S
|
|||||
|
DR4-5
|
3.5-23.5
|
10.5
|
9
|
||
外形尺寸