产品介绍:

产品简介
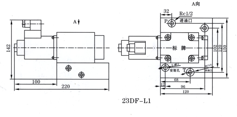
23DF-L1和34DF-L2电磁换向阀,,是一种采用湿式电磁吸铁驱动阀芯移动,以开闭供油管路或转换供油方向的一种换向阀。适用于公称压力20MPa以下的双线终端式润滑系统,与润滑泵配套使用。
型号说明
使用说明
1、此阀应安装在被控系统主、支管线的前端。
2、被控线管的压力油端需要与阀的“P”口连接,阀的回油口“T”需要直接且畅通卸荷回油箱。
3、使用需要仔细核对电磁吸铁的工作电压是否与电气控制的使用电压符合。
技术参数
|
型号
|
公称压力Mpa
|
大流量L/min
|
通路数
|
允许背压Mpa
|
允许切换换频率
|
电压
|
温度
|
重量kg
|
|
|
标准型号
|
原型号
|
||||||||
|
34DF-L2
|
SV-32
|
20
|
3
|
4
|
3
|
30
|
AC220V DC24V |
-5℃-50℃ |
17
|
|
23DF-L1
|
SV-31
|
3
|
10
|
||||||
外形尺寸
图形符号