产品介绍:

产品简介
EM型电动换向阀,是一种采用微型交流电机驱动,通过蜗轮蜗杆减速带动偏心连杆机构操纵阀滑芯移动。以开闭供油管路或转换供油方向的一种集成化的换向控制机构。适用于公称压力40MPa以下的双线终端式润滑系统。
使用说明
1、该阀应安装在系统被控主管路的前端,且位于通风、干燥、便于检查及周围无运动机构干涉的部位
2、使用前需要先打开外罩向减速箱内加入50#机械油至规定液面。
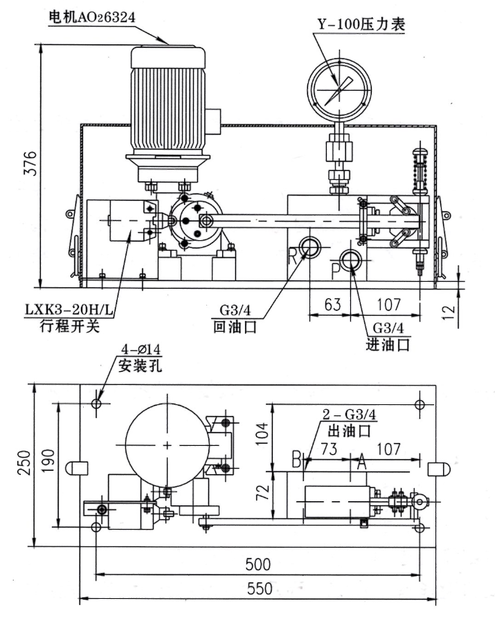
3、被控管线的压力油端需要与阀的“P”口连接。
4、建议用户按以下控制原理图进行润滑系统的换向功能控制回路电气设计。
技术参数
使用介质为锥入度不低于220(25℃,150g)1/10mm的润滑脂(NLGI0#-3#)。
外形尺寸
图形符号