产品介绍:

产品简介
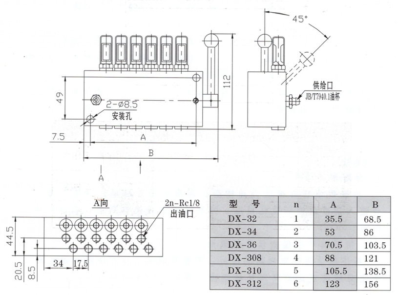
DX-3**型单线手动分配器适用于润滑点少,给油周期较长的单机设备上,通过移动润滑泵的供油软管与本分配器进油油杯连接向润滑点给油。
型号说明
使用说明
1、需要在规定的环境下使用规定的介质。
2、在灰尘大、潮湿、环境恶劣的场合下使用应配防护箱。
3、换向手把需要搬至二极限位置,切匀不到位工作而影响给油。
4、给油量的调整应在指示杆缩回去的状态下进行,调整完毕后将锁紧螺丝拧紧。
5、与分配器安装的面应光滑平整,且保障手把搬动所须的空间,安装螺栓不宜拧得过紧,以免影响正常动作。
技术参数
外形尺寸