咨询热线:13584657622
DRB-P(M)(BS-B)系列电动润滑泵及装置

产品介绍:


一、概述

DRB-P(BS-B)系列电动润滑泵适用于润滑频率高,配管长度长,润滑点密集的单、双线干稀油集中润滑系统中,作为供送润滑脂的输送装置。还可配备移动小车、胶管、油枪和电缆组成移动式电动润滑泵装置,适用于润滑频率低,润滑点少,给油量大,不便于采用集中润滑的单机设备,进行移动供脂润滑。

该系列润滑泵为电动高压柱塞式。工作压力在公称压力范围内可任意调整,有双重过载保护。贮油桶具有油位自动报警装置,润滑泵若配备电气控制箱能实现双线集中润滑系统全自动控制,并对系统实现监视。

二、技术参数

型号
公称压力
MPa
额定给油量
mL/min
贮油桶容积L
减速电机
适用环境
温度℃
重量
kg
功率kW
电压V
DRB1-P120Z
40 (P)
120
30
0.37
380
0〜80
56
DRB2-P120Z
0.75
-20〜80
64
DRB3-P120Z
60
0.37
0〜80
60
DRB4-P120Z
0.75
-20〜80
68
DRB5-P235Z
235
30
1.5 0〜80
70
DRB6-P235Z
60
74
DRB7-P235Z
100
82
DRB8-P365Z
365
60
74
DRB9-P365Z
100
82

使用介质为锥入度不低于220 (25℃, 150g) 1/10mm的润滑脂(NLGI0#-3#)和粘度等级大于N68的润滑油。

三、外形尺寸

型号
公称压力
MPa
额定给油量 mL/min
贮油桶容积
L
减速电机
适用环境
温度°C
重量
kg
功率kW
电压V
DRB1-P120Z
120
30
0. 37
380
0〜80
56
DRB2-P120Z
0. 75
-20 〜80
64
DRB3-P120Z
60
0. 37
0〜80
60
DRB4-P120Z
0. 75
-20 〜80
68
DRB5-P235Z
40 (P)
30
70
DRB6-P235Z
235
60
74
DRB7-P235Z
100
1.5
0〜80
82
DRB8-P365Z
365
60
74
DRB9-P365Z
100
82

四、型号说明

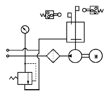
五、图形符号

六、工作原理

减速电机固定于带泵装置的连接法兰上,通过驱动偏心轴带动滑叉作直线往复运动,并带动螺旋压油板和刮油板顺时针方向旋转(使用润滑油无此机构),经搅动变软的润滑脂均匀地被压到泵装置吸油口周围。

泵体内有二组活塞,每组活塞由1工作活塞和2控制活塞组成,当一组活塞中的工作活塞完成吸油过程时,另一组 活塞中的工作活塞则把润滑脂压向出油口。如下图所示,当滑叉向左运动时,上组活塞完成吸油,下组活塞完成压油, 开始新的工作循环。这时下组活塞1、2向左运动,活塞2在弹簧力作用下到达极限位置关闭出口,而活塞1继续向左 运动,这时活塞2和1之间形成真空,其真空度随活塞1的左移不断增大,滑叉运动到极限位置活塞1打开吸油口,润 滑脂从吸油口吸入,如弹簧力不足,没将活塞2推到极限位置,此时推杆3会在滑叉的推动下强制地把活塞2压到极限 位置,同时上组活塞1、2、3向左运动,活塞1先关闭吸油口,被吸入的润滑脂在活塞1的推动下向左移动,当活塞2 把出油口打开时,活塞2和推杆3的运动也就停止,活塞1继续左移,把润滑脂从出油口压出,活塞1、2接触滑叉也 已运动到极限位置完成半个循环的工作,如此周而复始地循环,二组活塞交替地将润滑油脂从出油口压送出来,压出 的润滑脂经泵装置连接法兰上的过滤器过滤后向系统供送。

七、使用说明

1、该系列电动润滑泵应安装在室内,灰尘少,便于补脂、调整、检查、维修、拆洗等都方便的场合,并应尽可能 布置在系统的中心位置,缩短系统配管长度,保持最低压力降,使泵能产生足以克服润滑点背压的压力。如安装在室 外或环境恶劣的场合使用时,必须采取防护措施。

2、泵调压阀的设定压力,可以在0〜40MPa范围内任意调整,在使用时不允许超过泵的公称压力(40MPa)。

3、泵出油口处过滤器的过滤网要定期清洗,防止堵塞。

4、若由于系统某种故障原因,使压力达到约50MPa时,保险片即破裂,要查明原因并排除后再装入新的保险片。

5、向贮油器内补充润滑脂必须使用DJB-V70型或DJB-V400型电动加油泵从贮油器的补脂口加入。

6、贮油器内薄膜式容量指示器只适用于润滑脂,使用介质为润滑油时,必须调换成浮球式容量指示器。

7、电动减速机初使用二个月必须从排气塞孔补充适量的3#二硫化钼润滑脂,以后每隔四个月补充一次。

8、该系列电动润滑泵为室内安装型。

八、订货须知

1、订购移动式电动润滑泵装置,必须在合同中注明所配胶管长度及电缆长度,不注的均按电缆10米,胶管3米供

2、本系列电动润滑泵配用以下三种形式标准电控箱,可根据不同控制要求选择订购。

GDK01型无监控电控箱

GDK02型有监控电控箱

GDK03型有监控,全自动控制电控箱

3、该系列电动润滑泵为短时间间隔工作制,用户如需长时间连续工作请在合同中注明。