产品介绍:

一、概述
DB-N/L (ZB)系列的多点润滑泵适用于润滑频率较低,润滑点在50点以下,公称压力为31. 5MPa的单线式中小型 机械设备集中润滑系统中,直接或通过单线分配器向各润滑点供送润滑脂的输送供油装置。
该泵适用于冶金,矿山、港口、运输、建筑等设备。
二、技术参数
|
型号
|
公称压力
|
额定给油量
|
贮油桶容积
|
电
|
机
|
重量
|
|
MPa
|
mL/min
|
L
|
功率kW
|
电压V
|
kg
|
|
|
DB-N/L25
|
0〜25
|
37
|
||||
|
DB-N/L45
|
31.5
|
0〜45
|
30
|
0. 37
|
380
|
39
|
|
DB-N/L50
|
0〜50
|
37
|
||||
|
DB-N/L90
|
0〜90
|
39
|
三、型号说明
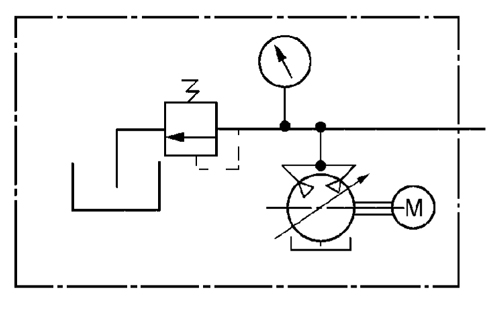
四、图形符号